G型卫生级螺杆泵的简介
G型卫生级螺杆泵是利用螺杆的回转来吸排液体。中间螺杆为主动螺杆,由原动机带动回转,两边的螺杆为从动螺杆,随主动螺杆作反向旋转。主动和从动螺杆的螺纹均为双头螺纹。由于各螺杆的相互啮合和螺杆与衬筒内壁的紧密配合,在泵的吸入口和排出口之间,形成一个或多个密封空间。随着螺杆的转动和啮合,在泵的吸入端不断形成密封空间,将吸入室中的液体封入其中,并自吸入室沿螺杆轴向连续地推移至排出端,将封闭在各空间中的液体不断排出,犹如一螺母在螺纹回转时被不断向前推进的情形那样,这就是螺杆泵的基本工作原理。
【G型单螺杆泵】卫生级螺杆泵材料供应范围
G型卫生级螺杆泵的特点
1. 定子与转子接触的螺旋封线将吸入腔与排出腔完全分开,使泵具有阀门一样的隔断作用;
2. 可实现液、气、固体的多相混合输送;
3. 泵内流体流动时容积不发生变化,没有湍流搅动和脉动;
4. 弹性定子形成的容积腔能有效地降低输送含固体颗粒介质时的磨耗;
5. 输入介质粘度可达 50,000Mpa · s 含固量可达 50% ;
6. 流量与转速成正比,借助调速器可实现流量的自动调节,可正反向输送。
G型卫生级螺杆泵具有以下优点
● 与离心泵相比,螺杆泵无需安装阀门,流量是稳定的线性流动;
● 与柱塞泵相比,螺杆泵自吸能力强、吸入高度更高;
● 与隔膜泵相比,螺杆泵可输送各种混合杂质,如含有气体和固体颗粒或纤维的介质,也可输送各种腐蚀性物质;
● 与齿轮泵相比,螺杆泵可输送高粘度的物质;
● 与柱塞泵,隔膜泵及齿轮泵不同的是,螺杆泵可用于药剂填充和计量。
离心泵厂家-新光明推荐您查看G型单螺杆泵产品和新闻知识:
G型卫生级螺杆泵性能参数
| 型号 | 电机功率 (kw) | 电福专速 (r/min ) | 流量 (m3/h ) | 进出口径 (mm ) |
| G10-1 | 0.37 | 1400 | 0.5 | DN20 |
| G15-1 | 0.55 | 960 | 1 | DN25 |
| G20-1 | 0.75 | 960 | 1.5 | DN32 |
| G25-1 | 1.1 | 960 | 2 | DN32 |
| G30-1 | 1.5 | 960 | 3 | DN40 |
| G35-1 | 2.2 | 960 | 5 | DN50 |
| G40-1 | 3 | 960 | 7 | DN50 |
| 2.2 | 720 | 5.5 | DN50 | |
| G45-1 | 4 | 960 | 9 | DN50 |
| 3 | 720 | 7 | DN50 | |
| G50-1 | 5.5 | 960 | 13 | DN65 |
| 4 | 720 | 10 | DN65 | |
| G55-1 | 7.5 | 960 | 18 | DN65 |
| 5.5 | 720 | 13 | DN65 | |
| G65-1 | 11 | 720 | 30 | DN80 |
| G85-1 | 15 | 720 | 60 | DN100 |
G型卫生级螺杆泵适用范围
环境保护、工业污水、生活污水、含有固体颗粒及短纤维的污泥浊水的输送,特别使用于油水分离器
板框压滤机设备等。
船舶工业:轮底清洗、油水、油渣、油污水等戒指输送。
石油工业:输送原油、原油与水的混合物、煤田气和水的混合物、往地层内灌注聚合物等。
医药、日化:各种粘稠浆、乳化液、各种软膏化装品
食品罐头行业:各种粘稠淀粉、浓酒糟、粮食制品渣、各种酱类、浆类、固体物浆液
建筑行业:水泥沙浆、石灰浆、涂料、糊状体的喷涂
采矿行业:矿井内的固体颗粒、地下水、污浆水
化学行业:各种悬浮液、油脂、各种胶体浆、各种粘合剂
印刷、造纸:高粘度油墨、墙纸的PVC高分子塑料糊和各种浓度的纸浆,短纤维浆料
工业锅炉、电厂:水煤浆输送
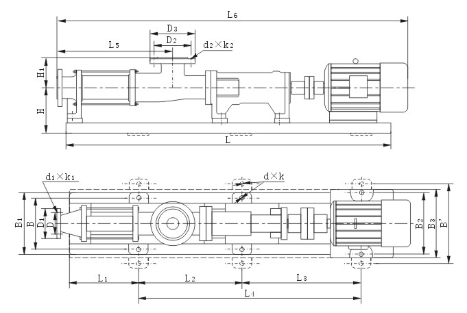
G型卫生级螺杆泵安装尺寸图










