G型无调速螺杆泵产品概述
无调速是在原来的G型螺杆泵基础上增加无调速功能。无调速螺杆泵也是利用电机来调节转速,与电磁调速螺杆泵的区别就是前者是手动,然而后者是靠磁场。以上两种螺杆泵配备这样的特殊电机就是为了调节水泵的流量以及压力,以达到自己所需要的标准。流量与转速成线性关系,相对于低转速的螺杆泵,高转速的螺杆泵虽然能增加了流量和扬程,但功率明显加大,高转速加速了转子与定子间的磨耗,必定使螺杆泵过早 失效,而且高转速螺杆泵的定转子长度很短,易磨损,因而缩短了螺杆泵的使用寿命。 通过减速机或无级调速机构来降低转速,使勘转速保持在每分三百转以下较为合理的范围内,与高速运转的螺杆泵相比,使用寿命能延长几倍。
G型无调速螺杆泵型号意义

离心泵厂家-新光明推荐您查看G型单螺杆泵产品和新闻知识:
G型无极调速螺杆泵性能参数
型号 | 压力0.3Mpa | 压力0.6Mpa | 可调转数 | ||||||
转数(r/min) | 流量(m3/h) | 电动机功率(kw) | 转数(r/min) | 流量(m3/h) | 电动机功率(kw) | 转数(r/min) | 流量(m3/h) | 电动机功率(kw) | |
G20-1 | 960 | 0.96 | 0.75-6级 | 960 | 0.8 | 0.75-6级 | 125~1250 | 0.1~1.5 | 1.1 |
720 | 0.8 | 0.55-8级 | 720 | 0.5 | 0.75-8级 | ||||
510 | 0.4 | 0.55-4级/齿轮箱 | 510 | 0.3 | 0.75-4级/齿轮箱 | ||||
G25-1 | 960 | 2.4 | 0.75-6级 | 960 | 2 | 1.5-6级 | 125~1250 | 0.1~3 | 1.5 |
720 | 1.5 | 0.55-8级 | 720 | 1.27 | 1.1-8级 | ||||
510 | 1.08 | 0.55-4级/齿轮箱 | 510 | 0.9 | 1.1-4级/齿轮箱 | ||||
G30-1 | 960 | 3.6 | 1.5-6级 | 960 | 3 | 2.2-6级 | 125~1250 | 0.2~4 | 2.2 |
720 | 2.28 | 1.1-8级 | 720 | 1.9 | 1.5-8级 | ||||
510 | 1.63 | 1.1-4级/齿轮箱 | 510 | 1.35 | 1.5-4级/齿轮箱 | ||||
G35-1 | 720 | 4.8 | 2.2-8级 | 720 | 4.04 | 3-8级 | 125~890 | 0.3~5 | 3 |
510 | 3.36 | 1.5-4级/齿轮箱 | 510 | 2.8 | 2.2-4级/齿轮箱 | ||||
380 | 1.92 | 1.1-4级/齿轮箱 | 380 | 1.60 | 1.5-4级/齿轮箱 | ||||
G40-1 | 510 | 6.8 | 2.2-4级/齿轮箱 | 510 | 5.6 | 3-4级/齿轮箱 | 125~890 | 0.3~10 | 4 |
380 | 5.1 | 1.5-4级/齿轮箱 | 380 | 4 | 2.2-4级/齿轮箱 | ||||
252 | 2.65 | 1.1-6级/齿轮箱 | 252 | 2.2 | 1.5-6级/齿轮箱 | ||||
G50-1 | 510 | 13.8 | 4-4级/齿轮箱 | 510 | 11.5 | 5.5-4级/齿轮箱 | 80~750 | 1~18 | 5.5 |
380 | 10.2 | 4-4级/齿轮箱 | 380 | 7.5 | 5.5-4级/齿轮箱 | ||||
252 | 5.6 | 3-6级/齿轮箱 | 252 | 4.4 | 5.5-6级/齿轮箱 | ||||
G60-1 | 510 | 20.8 | 7.5-4级/齿轮箱 | 510 | 16 | 11-4级/齿轮箱 | 63~630 | 1~20 | 11 |
380 | 15.6 | 7.5-4级/齿轮箱 | 380 | 12 | 11-4级/齿轮箱 | ||||
252 | 7.8 | 5.5-6级/齿轮箱 | 252 | 6 | 7.5-6级/齿轮箱 | ||||
G70-1 | 510 | 26 | 11-4级/齿轮箱 | 510 | 20 | 11-4级/齿轮箱 | 56~560 | 1~22 | 11 |
380 | 17 | 7.5-4级/齿轮箱 | 380 | 13 | 11-4级/齿轮箱 | ||||
252 | 9.1 | 7.5-6级/齿轮箱 | 252 | 7 | 7.5-6级/齿轮箱 | ||||
G85-1 | 380 | 32 | 11-4级/齿轮箱 | 380 | 25 | 15-4级/齿轮箱 | 37~370 | 2~24 | 15 |
252 | 21 | 7.5-6级/齿轮箱 | 252 | 16 | 11-6级/齿轮箱 | ||||
189 | 11 | 5.5-8级/齿轮箱 | 189 | 8 | 11-8级/齿轮箱 | ||||
G105-1 | 380 | 80 | 15-4级/齿轮箱 | 380 | 65 | 22-4级/齿轮箱 | 29~290 | 3~50 | 22 |
252 | 44 | 15-6级/齿轮箱 | 252 | 34 | 22-6级/齿轮箱 | ||||
189 | 29 | 11-8级/齿轮箱 | 189 | 22 | 15-8级/齿轮箱 | ||||
G135-1 | 380 | 132 | 37-4级/齿轮箱 | 380 | 120 | 45-4级/齿轮箱 | 18~180 | 3~56 | 45 |
252 | 95 | 30-6级/齿轮箱 | 252 | 80 | 37-6级/齿轮箱 | ||||
189 | 65 | 18.5-6级/齿轮箱 | 189 | 53 | 30-8级/齿轮箱 | ||||
G型无极调速螺杆泵适用范围:石油工业、化工及制药、环境工程、矿产工程、食品工业、造纸行业。
稠油输送、油气混输、油水分离和废油回收系统、污水处理、聚合物输送、各类膏状物、各类乳状液、各类悬浮液、各类含气、含固液体、各类不能受搅动和剪切的介质
各种污水输送 脱水污泥输送 絮凝剂及其化学制剂的计量投加 油水分离及废气脱质水煤浆设备与输送 钛白粉、高岭土、碳酸钙等的生产设备 给旋流体、过滤体喂料 化学投加 装料及灌浆 电解液处理乳制品 果汁、果泥、菜酱 肉糜和调味品 啤酒和酿造原料设备 涂布和着色过程 化学计量 造浆及废水处理
1、输送高粘度的介质。
2、输送含有固体颗粒或纤维的介质。
3、要求连续、压力稳定、不出现周期性压力波动。
4、要求搅动小、不破坏被输送介质的固有结构。
5、低的噪声。
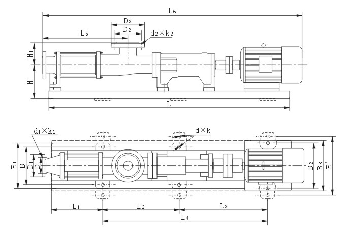
G型无极调速螺杆泵安装尺寸图










