2CY型齿轮润滑油泵主要用于各种机械设备中的润滑系统中输送润滑油,适用于输送粘度在10。E(75C.S.t)以下,温度在300℃以下的具有润滑性的油料。不锈钢齿轮泵,可输送无润滑性的油料、饮料、低腐蚀性的液体。配用铜齿轮可输送低内点液体,如汽油、苯等。本系列泵除配置普通电机外,还可根据用户需要配置同规格的防爆电机。
2CY型齿轮润滑油泵型号意义

2CY型齿轮润滑油泵产品概述
1、本泵适用于输送各种有润滑性的液体,温度不高于70℃,如需高温200℃,同本单位联系可配用耐高温材料即可,粘度为5×10-5~1.5×10-3m2/s。
2、本泵不适用于输送腐蚀性的、含硬质颗粒或纤维的、高度挥发或闪点低的液体,如汽油、笨等。
本型泵在泵体中装有一对回转齿轮,依靠两齿轮的相互啮合,把泵内的整个工作腔分两个独立的部分。泵运转时主动齿轮带动被动齿轮旋转,当齿轮脱开啮合时在吸入侧就形成局部真空,液体被吸入。被吸入的液体充满齿轮的各个齿谷而带到排出侧,单级单吸油泵齿轮进入啮合时液体被挤出而排出泵外。
新光明推荐您查看:KCB齿轮油泵
2CY型齿轮润滑油泵结构说明
本产品由泵体、齿轮、前后泵盖、安 全阀、轴承及密封装置等零、部件组成。
1、泵体、前后盖等零件为灰铸铁件,齿轮用良好碳素钢制作;亦可根据用户需要用铜材或不锈钢制作。
2、安 全阀。
2CY系列齿轮式润滑泵自身不带安 全阀,用户在使用时需自行在管路系统中安装安 全阀。KCB,2CY系列齿轮式输油泵在后泵盖或泵体上方装有安 全阀,当泵或排出管道发生故障或将排出阀门完全关闭而产生高压和高压?击时安 全阀就会自动打开,卸除部分或全部的高压液体回到吸入腔,从而对泵及管道起到安 全保护作用。
3、轴承。
2CY系列齿轮式润滑泵全部采用DU轴承;可根据用户要求采用锡青铜轴承。&0818.3-83.3、2CY1.1齿轮式输油泵采用DU轴承;可根据用户要求采用锡青铜轴承。
KCB133-960、2CY8-60齿轮式输油泵有采用DU轴承,锡青铜轴承和滚动轴承三种结构,需在订货时注明。订货时未注明者均按DU轴承结构供货。 轴承为内置型式,依靠被输送介质进行润滑;011轴承和锡青铜轴承能在非润滑性介质中工作。
4、轴封。
本系列产品的轴端密封有骨架油封、机械密封及填料密封三种结构。
a. 骨架油封:骨架油封的特点是维护、更换方便,成本低,但寿命较短。丁晴胶骨架油封适用于1001:以下工作环境;氟橡胶骨架油封适用于200℃以下工作环境。
b. 1机械密封:机械密封的特点是密封可靠、寿命长,成本高。机械密封的基体用不锈钢制造, 动、静环视介质不同分别由YG8硬质合金或YG8-石墨制造,使用温度在200℃以下。
c. 填料密封:填料密封仅用于高温油泵,其特点是耐高温,有少量泄漏。使用过程中需根据泄漏情况经常进行调整,使用温度在250℃:以下。
用户需何种型式的密封结构需在订货时注明。凡订货时未注明者均按丁晴胶骨架油封结构供货。
5、进、出油口型式。
2CY系列齿轮式润滑泵进、出油口为与口径对应的英制管螺纹(G),直接制作在泵体上。KCB18.3-200、2CY1.1-12齿轮式输油泵配带管螺?口的腰形法兰;其余泵不配带法兰,当用户需要配带法兰时,应在订货中注明。
6、泵与电机用弹性联轴器连接,并安装在公共底盘上。
2CY型齿轮润滑油泵性能参数

2CY型齿轮润滑油泵适用范围
1、本泵适用于输送各种有润滑性的液体,温度不高于70℃,如需高温200℃,同本单位联系可配用耐高温材料即可,粘度为5×10-5~1.5×10-3m2/s。
2、本泵不适用于输送腐蚀性的、含硬质颗粒或纤维的、高度挥发或闪点低的液体,如汽油、笨等。
2CY型齿轮润滑油泵在泵体中装有一对回转齿轮,依靠两齿轮的相互啮合,把泵内的整个工作腔分两个独立的部分。泵运转时主动齿轮带动被动齿轮旋转,当齿轮脱开啮合时在吸入侧就形成局部真空,液体被吸入。被吸入的液体充满齿轮的各个齿谷而带到排出侧,齿轮进入啮合时液体被挤出而排出泵外。
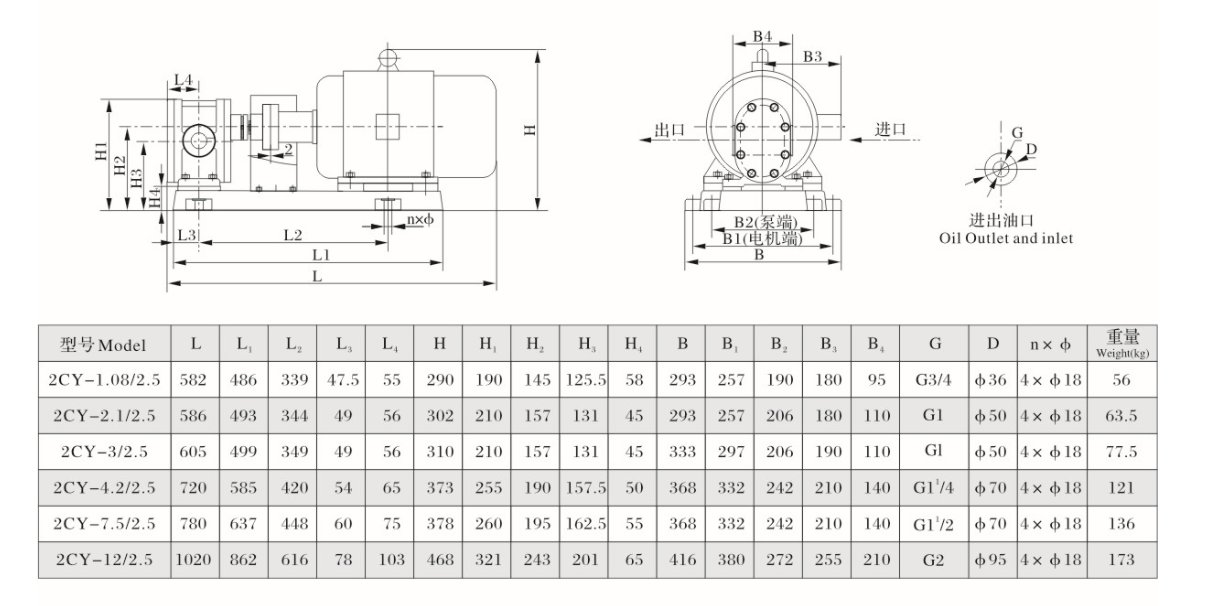
2CY型齿轮润滑油泵安装尺寸图









